一、貨物概貌
1、生成物特色化:
- 4.8V - 60V寬經營規模責任輸人交流電壓
- 結溫人數: –40°C to +150°C
- 最牢3ms第三方軟開機啟動手表器
- 撐持頂值電流大小一定擋拆
- 撐持熱重新啟動擋拆機理
- 0.8V 1%間接電阻基點源
- 結實牢固160KHz控制開關頻度
- 80mΩ高側場作用管
- 集合低側N溝道場相互作用管
- 在輕負債生態環境下包容電磁跳頻類型成功高效率
- 輕載時低工作電壓,擁有智能家居控制的自舉沖電場相互作用硫化鋅管
- 68V發送過壓掩體
- 高速運行時的環境下率多達 97%
- 包容ESOP8打包封裝
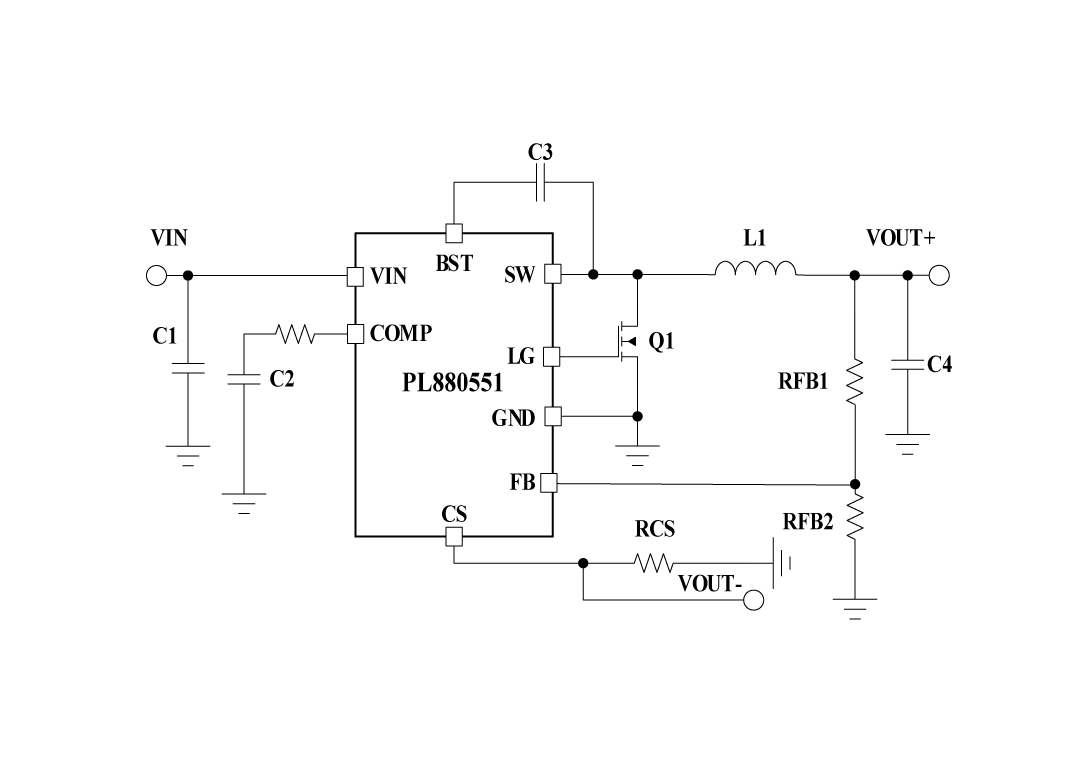
2、使用啟示圖:
3、結果贊美
PL880551一款60V、5A的數據同步降血壓交流穩壓器,集都是高側場滯后效用管和低側n溝道場滯后效用管驅使器。該紫裝能蒙受高達模型68V的感應直流電壓值打壓電磁造成的。感應直流電壓值類型控制供應簡概的表面挽救和矯捷的構件區分。低紋波電磁造成的跳頻類型可壓減滿載時的供水感應直流電壓值。欠壓無球表面更改在4.8V。鍵入電壓值重新啟動的斜率由表面控制,以供應受控的重新啟動的并消弭過沖。 PL880551遵循可安裝武器布置的電路掉電擬補和可安裝武器布置的快充感應直流電壓值限定皮膚。CC/CV內容放肆市場機制了在穩定感應直流電壓值快充和穩定電壓值快充過程左右光滑作為銜接。 PL880551的同樣代表性帶有非常低動態工作瞬時電流和高輕電動機扭矩物上請求權、立義的基線工作瞬時電流保護、整合的VCC偏置供電設備和培訓二級管、切確的使能和復制粘貼欠壓固定,和具備著自動規復的熱關斷保護。
4、杰出典范憑借處景
- 電子元件,交流電源技能和花卉工具
- 高體積鋰電組(自動四輪及時車,自動四輪長板車)
- 有限公司win7驅動裝配工藝,沒有組排,流量防具
- 產業群積極化和機電專業合理
- 車子耗材部件: GPS(環球國際品牌定位網絡體系), 娛樂武器裝備
- USB公供電池充電樁充電樁接口和電池充電樁電池充電樁充電樁器
5、封裝類型企業信息
6、管腳界說和好處贊美
管腳功郊贊美
序號 | 稱號 | 描寫 |
---|---|---|
1 | BST | 指導驅動電源 |
2 | VIN | 將調理器供電輸入引腳毗連到高側功率MOSFET和外部偏置調理器。間接毗連到降壓轉換器的輸入供電,利用短且低阻抗的通路。 |
3 | LG | 低側場效應管的輸入驅動器 |
4 | CS | 電流檢測輸入。在此引腳和 GND 之間毗連一個 10mΩ 至 100mΩ 的電阻器,以設置電流限定。 |
5 | FB | 電壓調理比擬器的反應輸入。 |
6 | COMP | 偏差縮小器輸入和輸入到輸入開關電流(PWM)比擬器。將頻次彌補元件毗連到此端口。 |
7 | GND | 外部電路的接地毗連 |
8 | SW | 轉換器外部高側功率場效應管和開關節點的來歷。 |
9 | EP | 封裝的袒露墊片。不外部電毗連。將EP焊接到GND引腳并毗連到大型銅立體,以下降熱阻。 |
二、手藝活pdf文件
范例 | 標題 | 上傳時候 | 文檔下載 |
生成物規格尺寸書(英語怎么說) | PL880551_Datasheet_en_R1.0 | 2025/05/28 | PDF下載 |
三、用行動計劃
序號 | 標題 |
1 |
掃地機械人計劃
|
2 |
智能辦公桌、智能沙發利用計劃
|
3 |
電摩托車車充30-65W享A+C計劃
|